

Jesteśmy w Polsce przedstawicielem największego na świecie producenta węglika spiekanego, grupy XTC. W jej skład wchodzi firma GEHM, która zajmuje się produkcją półfabrykatów surowych i wykończonych z węglika spiekanego, w tym zębów do pił. Nasz partner słynie z wykonania premium. GEHM posiada m. in. certyfikaty ISO9001, ISO14001, OHSAS18001 i inne.
Prezentacja naszego partnera firmy GEHM z grupy XTC
Zęby do pił tarczowych z węglika spiekanego – trwałe rozwiązania do drewna, płyt, aluminium i zastosowań specjalnych
Jesteśmy przedstawicielem grupy XTC w Polsce, najwięszego producenta premium węglika spiekanego na świecie. W ofercie posiadamy szeroką gamę części i półfabrykató z węglika spiekanego, w tym zęby do pił w wykonaniu standardowym i specjalnym.
Zęby do pił tarczowych z węglika spiekanego są jednym z najważniejszych elementów decydujących o jakości pracy całego narzędzia. To właśnie od nich zależy trwałość krawędzi skrawającej, stabilność procesu cięcia, powtarzalność parametrów oraz końcowa jakość obrabianego materiału. W praktyce dobrze dobrane zęby wpływają nie tylko na sam efekt cięcia, ale również na ekonomikę pracy piły, częstotliwość regeneracji, ryzyko wykruszeń oraz ogólną przewidywalność procesu produkcyjnego.
W ofercie Tradensa znajdują się zęby do pił z węglika spiekanego przeznaczone do zastosowań przemysłowych i technicznych. Oferujemy zęby do pił tarczowych, zęby widiowe do pił do drewna i materiałów drewnopochodnych, zęby do pił do aluminium i metali nieżelaznych, zęby do wybranych zastosowań metal-cutting, zęby do pił taśmowych, zęby do otwornic, a także krążki, ringi i inne półfabrykaty z węglika spiekanego do wykonania pił tarczowych.
Nasza oferta jest skierowana przede wszystkim do producentów pił, narzędziowni, firm OEM oraz zakładów przemysłowych, które potrzebują sprawdzonych komponentów do produkcji seryjnej lub specjalistycznej. Oprócz wykonań standardowych realizujemy również wykonania według rysunku, dopasowane do konkretnej geometrii, materiału i warunków pracy. Dzięki temu możemy zaoferować nie tylko sam produkt, ale przede wszystkim rozwiązanie technicznie dobrane do zastosowania.

Czym są zęby do pił z węglika spiekanego i dlaczego są tak ważne
Zęby do pił z węglika spiekanego to elementy robocze mocowane na korpusie piły, odpowiedzialne za bezpośredni kontakt z materiałem oraz za cały proces cięcia. W porównaniu z rozwiązaniami wykonanymi z mniej odpornych materiałów, węglik spiekany pozwala uzyskać znacznie wyższą odporność na ścieranie, dłuższe utrzymanie ostrej krawędzi i bardziej stabilne zachowanie narzędzia w pracy.
W praktyce znaczenie zębów jest dużo większe niż mogłoby się wydawać na pierwszy rzut oka. To nie jest jedynie „końcówka robocza” piły, ale kluczowy komponent wpływający na przebieg procesu, żywotność narzędzia, jakość krawędzi, obciążenie samej tarczy oraz liczbę przestojów związanych z wymianą lub regeneracją. Jeżeli ząb jest źle dobrany do materiału, geometrii piły albo warunków pracy, nawet dobrze wykonane narzędzie może nie osiągać oczekiwanych rezultatów.
Dlatego przy doborze zębów do pił tarczowych z węglika spiekanego należy patrzeć szerzej niż tylko na wymiar. Liczy się typ piły, rodzaj obrabianego materiału, oczekiwana jakość krawędzi, prędkość pracy, charakter obciążenia i przewidywana żywotność. Dopiero połączenie tych elementów pozwala dobrać rozwiązanie, które będzie trwałe, stabilne i ekonomicznie uzasadnione.
Zęby widiowe, HM, TCT, zęby z węglika spiekanego – nazewnictwo i znaczenie
Na rynku funkcjonuje kilka określeń odnoszących się do tej samej lub bardzo podobnej grupy produktów. Klienci często używają zamiennie sformułowań takich jak zęby widiowe do pił, zęby HM, zęby TCT, zęby z węglika spiekanego czy płytki węglikowe do pił. W praktyce w zapytaniach technicznych i handlowych występują wszystkie te warianty, dlatego na stronie warto komunikować je naturalnie i jednoznacznie.
Najważniejsze z punktu widzenia użytkownika jest to, że chodzi o komponenty robocze przeznaczone do produkcji i regeneracji pił, w których o trwałości oraz zachowaniu podczas cięcia decyduje właśnie materiał węglikowy. Dla części odbiorców istotne będzie określenie „zęby widiowe”, dla innych „zęby do pił tarczowych z węglika spiekanego”, a dla jeszcze innych po prostu „saw tips” lub „płytki do pił”. Dobrze przygotowana strona powinna odpowiadać na wszystkie te warianty, ale bez sztucznego upychania słów kluczowych.
Co dokładnie oferujemy, zęby do pił tarczowych z węglika spiekanego

Podstawę oferty stanowią zęby do pił tarczowych z węglika spiekanego przeznaczone do profesjonalnych zastosowań przemysłowych. To rozwiązania stosowane przez producentów pił oraz firmy zajmujące się wykonaniem narzędzi do drewna, płyt drewnopochodnych, aluminium, tworzyw i innych materiałów wymagających trwałej oraz stabilnej krawędzi skrawającej.
Zęby do pił tarczowych muszą łączyć kilka cech jednocześnie. Z jednej strony powinny być odpowiednio odporne na ścieranie, aby możliwie długo zachowywać ostrość. Z drugiej strony muszą wykazywać dobrą odporność na uszkodzenia krawędzi i pracować stabilnie pod obciążeniem. Właśnie dlatego tak istotne jest dopasowanie geometrii i gatunku węglika do konkretnej aplikacji, a nie opieranie się wyłącznie na jednym schemacie dla wszystkich zastosowań.
Proces produkcji zębów do pił z węglika spiekanego - jak powstają zęby do pił z węglika spiekanego

Proces produkcji półabrykatów węglikowych na zęby do pił - produkcja proszku, RTP (technologia przygotowanie proszku węglikowego przed prasowaniem i spiekaniem), produkcja formy, prasowanie, spiekanie, inspekcja jakościowa
Zęby widiowe do pił - rodzaje i zastosowania
Zęby do pił z węglika spiekanego stosowane są w wielu typach narzędzi tnących wykorzystywanych w przemyśle drzewnym, metalowym oraz w produkcji materiałów kompozytowych. W zależności od rodzaju piły oraz obrabianego materiału dobiera się odpowiednią geometrię zęba oraz gatunek węglika spiekanego.
Najczęściej spotykane zastosowania obejmują:
- Zęby do pił do drewna i materiałów drewnopochodnych - stosowane w piłach tarczowych wykorzystywanych do cięcia drewna litego, płyt wiórowych, MDF, HDF oraz sklejki. W takich zastosowaniach szczególnie ważna jest wysoka odporność na ścieranie oraz stabilna geometria krawędzi tnącej.
- Zęby do pił do aluminium i metali nieżelaznych - specjalnie dobrane gatunki węglika spiekanego pozwalają uzyskać czyste cięcie aluminium, miedzi oraz innych metali nieżelaznych przy zachowaniu wysokiej trwałości narzędzia.
- Zęby do pił do metalu i stali - w bardziej wymagających zastosowaniach przemysłowych stosuje się zęby z węglika spiekanego o odpowiednio dobranej strukturze materiałowej, zapewniające wysoką odporność na obciążenia mechaniczne i temperaturę.
- Zęby do pił taśmowych - zęby węglikowe stosowane są również w piłach taśmowych wykorzystywanych w przemyśle metalowym i drzewnym, gdzie wymagana jest wysoka trwałość narzędzia oraz stabilność pracy przy długich seriach produkcyjnych.
- Zęby do otwornic i narzędzi specjalnych - węglik spiekany wykorzystywany jest również w produkcji zębów do otwornic oraz specjalnych narzędzi tnących stosowanych w wielu gałęziach przemysłu.
Dzięki bardzo wysokiej twardości oraz odporności na zużycie zęby z węglika spiekanego pozwalają znacząco zwiększyć trwałość narzędzi tnących oraz poprawić stabilność procesu cięcia.
Rodzaje zębów do pił jakie możemy zaoferować:
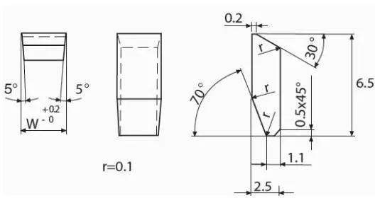
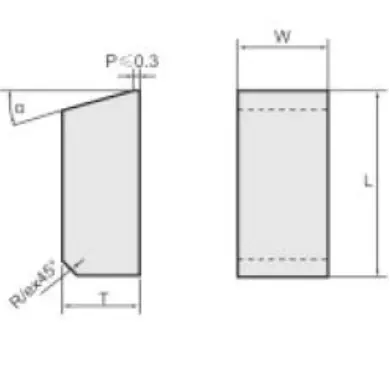
Zęby do pił z węglika spiekanego mogą występować w wielu różnych geometriach, które dobiera się w zależności od rodzaju materiału, sposobu cięcia oraz wymagań dotyczących jakości powierzchni. Odpowiedni dobór geometrii zęba ma bezpośredni wpływ na trwałość narzędzia, stabilność pracy piły oraz jakość uzyskanej krawędzi cięcia.
W praktyce przemysłowej stosuje się kilka podstawowych typów uzębienia wykorzystywanych w produkcji pił tarczowych, pił do metalu, pił do aluminium oraz narzędzi do cięcia materiałów kompozytowych.
- Zęby widiowe do pił do drewna litego i materiałów drewnopochodnych
- Zęby do pił do drewna litego
- Zęby do pił do MDF, HDF, płyt wiórowych i sklejki
- Zęby do pił do aluminium i metali nieżelaznych
- Zęby do pił do cięcia metalu
- Zęby do pił taśmowych z węglika spiekanego
- Zęby do otwornic z węglika spiekanego
- Zęby do pił do stali i zastosowań do cięcia
- Krążki, ringi i półfabrykaty z węglika spiekanego do wykonania pił tarczowych
- Zęby do pił metryczne i amerykańskie
- Zęby L / R
- Zęby w stylu V
- Zęby do pił SPECJLANE - wg rysunków klienta
Najczęściej spotykane typy zębów do pił z węglika spiekanego, jak dobrać zęby do piły do aluminium i metalu, a jak do drewna
- FTG (Flat Top Grind) – ząb prosty stosowany głównie w piłach do cięcia wzdłużnego drewna oraz w narzędziach przemysłowych o dużej wydajności.
- ATB (Alternate Top Bevel) – ząb skośny naprzemienny, najczęściej stosowany w piłach do drewna, MDF, sklejki oraz materiałów drewnopochodnych.
- Hi-ATB (High Alternate Top Bevel) – odmiana ATB o większym kącie ostrza, stosowana w piłach do laminatów i materiałów wymagających bardzo czystego cięcia.
- TCG (Triple Chip Grind) – uzębienie trapezowe stosowane w piłach do aluminium, metali nieżelaznych, tworzyw sztucznych oraz materiałów ściernych.
- ATB + R (Combination Tooth) – kombinacja zębów skośnych i płaskich stosowana w piłach uniwersalnych do cięcia wzdłużnego i poprzecznego.
- Zęby trapezowe – stosowane w narzędziach do cięcia płyt laminowanych, aluminium oraz materiałów kompozytowych.
- Zęby stożkowe (Conical Tooth) – stosowane jako zęby wstępne w piłach panelowych i narzędziach do płyt laminowanych.
- Zęby o zmiennym podziale (Variable Pitch) – stosowane głównie w piłach przemysłowych i piłach do metalu w celu redukcji drgań i poprawy stabilności pracy.
Odpowiednia geometria zęba w połączeniu z właściwie dobranym gatunkiem węglika spiekanego pozwala uzyskać wysoką trwałość narzędzia oraz stabilną jakość cięcia nawet w wymagających zastosowaniach przemysłowych.
Gatunki węglika spiekanego do zębów do pił - produkcja zębów do pił z węglika spiekanego
Poniżej przykładowe i najczęściej wybierane gatunki węglika na zęby do pił
| Gatunek | Skład w % Co (zawartość kobaltu) | Zastosowanie |
| GU20 | 10.3 | uniwersalny - szerokie zastosowanie, między innymi zarówno do metalu jak i drewna |
| GK10H | 6 | plastic, copper, aluminum, plywood |
| GF40D | 12 | cut frozen or wet wood with bark |
| GK30H | 8 | cast iron, non-ferrous metal and non-metallic materials |
| GK02H | 3.7 | solid wood, particleboard, |
Powyżej są przykładowe gatunki węglika, oferta gatunków jest b. szeroka i dobieramy również gatunki w oparciu o analizę zastosowania.
Dlaczego nie istnieje jeden uniwersalny gatunek węglika
Jednym z najczęstszych pytań klientów jest to, jaki gatunek węglika będzie najlepszy. Odpowiedź brzmi: nie ma jednego gatunku, który będzie idealny do wszystkich pił i wszystkich materiałów. Innego rozwiązania wymaga drewno lite, innego MDF, jeszcze innego aluminium, a zupełnie innego wybrane procesy metal-cutting. Dobór zawsze powinien wynikać z zastosowania.
W praktyce gatunek węglika wpływa na odporność na ścieranie, odporność na wykruszenie, trwałość krawędzi i ogólne zachowanie narzędzia. Dlatego zamiast szukać „najmocniejszego” materiału, lepiej dobrać taki, który najlepiej odpowiada konkretnemu procesowi.
Gatunki węglika pod zęby do pił bardziej odporne na ścieranie
W materiałach ściernych, takich jak płyty drewnopochodne, laminaty i inne wymagające podłoża, bardzo istotna jest odporność krawędzi na stopniowe zużycie. W takich zastosowaniach dobór gatunku powinien zmierzać w kierunku rozwiązań, które możliwie długo utrzymają ostrość i pozwolą zachować jakość cięcia.
Nie oznacza to jednak, że należy kierować się wyłącznie maksymalną twardością. Zbyt jednostronne podejście może prowadzić do pogorszenia odporności na wykruszenie, dlatego potrzebny jest rozsądny balans między odpornością na ścieranie a bezpieczeństwem pracy krawędzi.
Gatunki węglika pod zęby do pił bardziej odporne na wykruszenie
W aplikacjach obciążonych udarowo albo bardziej podatnych na uszkodzenia krawędzi istotna staje się odporność na wykruszenie. Dotyczy to między innymi części zastosowań metalowych, większych obciążeń procesowych oraz niektórych specyficznych warunków pracy piły. W takich przypadkach sam wysoki poziom odporności na ścieranie nie wystarcza.
Dobór bardziej „twardego” materiału nie zawsze jest najlepszym kierunkiem. Często lepszy rezultat daje rozwiązanie, które jest nieco bardziej odporne na uszkodzenia mechaniczne i lepiej znosi realne warunki pracy. Dlatego tak ważny jest dobór materiału do zastosowania, a nie wyłącznie do parametru katalogowego.
Równowaga pomiędzy trwałością a stabilnością pracy
Najlepszy gatunek to zwykle nie ten najbardziej skrajny, ale ten najlepiej dopasowany do procesu. W praktyce bardzo często szuka się rozwiązania, które zachowuje dobrą odporność na zużycie, a jednocześnie nie jest nadmiernie podatne na uszkodzenia krawędzi. Właśnie taka równowaga decyduje o tym, czy ząb będzie pracował długo i przewidywalnie.
Dlatego na stronie warto podkreślać, że dobór gatunku jest elementem procesu technicznego, a nie prostym wyborem z jednej tabeli. To buduje wiarygodność i pokazuje klientowi, że nie chodzi o sprzedaż dowolnego komponentu, lecz o realne dopasowanie rozwiązania.
Krążki i półfabrykaty z węglika spiekanego do wykonania pił tarczowych
Kiedy lepszy jest gotowy ząb, a kiedy półfabrykat z węglika spiekanego
Część klientów potrzebuje gotowego zęba do piły, który można wykorzystać w standardowym procesie produkcyjnym. Inni wolą półfabrykat, ponieważ chcą samodzielnie wykonać dalszą obróbkę, profilowanie albo przygotowanie końcowego elementu pod swoją technologię. Oba podejścia są uzasadnione, ale odpowiadają na nieco inne potrzeby.
Gotowy ząb będzie lepszym rozwiązaniem tam, gdzie liczy się szybkość wdrożenia, powtarzalność i korzystanie ze standardowego, sprawdzonego komponentu. Półfabrykat będzie natomiast bardziej odpowiedni wtedy, gdy klient potrzebuje większej swobody konstrukcyjnej, pracuje na własnych profilach albo przygotowuje narzędzia specjalne.
Krążki, ringi i talerzyki z węglika spiekanego do dalszej obróbki
Krążki i ringi z węglika spiekanego są ważną grupą produktów dla producentów pił tarczowych i firm realizujących rozwiązania niestandardowe. Pozwalają one na dalsze kształtowanie komponentu zgodnie z wymaganiami projektu oraz dostosowanie go do własnej technologii klienta.
W praktyce półfabrykaty takie jak krążki i talerzyki są często wybierane wtedy, gdy narzędzie końcowe ma być maksymalnie dopasowane do aplikacji. To rozwiązanie szczególnie cenne dla bardziej zaawansowanych odbiorców, którzy chcą kontrolować kolejne etapy procesu we własnym zakresie.
Wykonania standardowe i specjalne według rysunku
Rozwiązania standardowe zębów widiowych do pił
Dla wielu producentów najlepszym punktem wyjścia są standardowe serie zębów do pił. Zapewniają one dobrą powtarzalność, szybsze wdrożenie oraz możliwość oparcia produkcji na sprawdzonych rozwiązaniach. Standardowe komponenty są szczególnie praktyczne tam, gdzie proces jest ustabilizowany i nie wymaga szczególnych modyfikacji konstrukcyjnych.
Jednocześnie warto pamiętać, że nawet przy rozwiązaniach standardowych ogromne znaczenie ma dobór właściwego typu i gatunku do konkretnego materiału. Standard nie oznacza przypadku – nadal liczy się właściwe dopasowanie do zastosowania.
Wykonania specjalne według rysunku - specjalne zęby do pił vhm
W wielu sytuacjach standardowy komponent nie wystarcza. Klient może potrzebować niestandardowego profilu, określonego wymiaru, specjalnej geometrii lub rozwiązania dopasowanego do konkretnego projektu narzędzia. W takich przypadkach realizujemy wykonania według rysunku.
To bardzo ważna część oferty, ponieważ rynek przemysłowy rzadko ogranicza się do katalogowych powtórzeń. W praktyce wiele najbardziej wartościowych projektów to właśnie rozwiązania specjalne, przygotowane pod dany proces, materiał i konstrukcję piły.
Jakie informacje warto przygotować - jak wygląda dobór zębów do pił w praktyce
Aby dobrać odpowiedni ząb do piły, warto już na etapie zapytania określić kilka podstawowych kwestii: typ piły, rodzaj materiału ciętego, oczekiwaną geometrię, wymagane wymiary, przewidywane warunki pracy, oczekiwaną trwałość oraz ilość. Jeżeli klient dysponuje rysunkiem technicznym lub wzorem, również warto go załączyć.
Takie informacje znacząco przyspieszają cały proces i pozwalają lepiej dopasować rozwiązanie. Im więcej wiadomo o rzeczywistym zastosowaniu, tym łatwiej uniknąć doboru zbyt ogólnego lub niewystarczającego.
Co dobieramy wspólnie z klientem
Dobór obejmuje nie tylko sam wymiar zęba, ale również jego geometrię, typ, charakter materiału oraz ogólną logikę zastosowania. W praktyce chodzi o to, żeby końcowe rozwiązanie dobrze współpracowało z projektem piły i odpowiadało warunkom, w których będzie rzeczywiście pracowało.
To podejście jest szczególnie ważne wtedy, gdy klient szuka rozwiązania pod konkretny materiał lub proces, a nie jedynie odtworzenia już stosowanego komponentu. W takich sytuacjach właściwie dobrany ząb może realnie poprawić trwałość i jakość pracy narzędzia.
Dla kogo jest ta oferta
Oferta zębów do pił z węglika spiekanego jest skierowana do producentów pił tarczowych, producentów pił taśmowych, producentów otwornic, narzędziowni, firm OEM oraz zakładów przemysłowych, które potrzebują trwałych komponentów do własnej produkcji narzędzi. Obejmuje zarówno odbiorców korzystających ze standardowych serii, jak i klientów poszukujących rozwiązań specjalnych, realizowanych według rysunku.
To oferta dla firm, które oczekują czegoś więcej niż przypadkowego produktu katalogowego. W centrum stoi tutaj realne zastosowanie, trwałość procesu i możliwość dopasowania rozwiązania do technicznych potrzeb klienta.
Dlaczego warto wybrać zęby do pił z węglika spiekanego od Tradensa i Gehm
W przypadku zębów do pił najważniejsze nie jest samo posiadanie produktu w ofercie, ale umiejętność powiązania konkretnego komponentu z konkretnym zastosowaniem. Dlatego koncentrujemy się na rozwiązaniach technicznych, które mają sens w realnym procesie produkcyjnym. Oznacza to dobór typu zęba, odpowiedniego kierunku zastosowania oraz wsparcie przy wyborze pomiędzy rozwiązaniem standardowym a specjalnym.
Dla klienta oznacza to przede wszystkim większą pewność, że otrzymany komponent będzie pasował do jego procesu. To ważne zarówno w przypadku seryjnej produkcji pił, jak i w bardziej wymagających projektach narzędzi specjalnych. Nasza oferta obejmuje zarówno gotowe zęby do pił, jak i półfabrykaty do dalszej obróbki, co daje większą elastyczność i możliwość dopasowania do różnych modeli współpracy.
Jak złożyć zapytanie
Aby przygotować właściwą ofertę, najlepiej przesłać podstawowe informacje techniczne dotyczące zastosowania. Najbardziej pomocne są: typ piły, materiał cięty, oczekiwana geometria zęba, wymagane wymiary, informacja o przewidywanej ilości oraz rysunek lub wzór, jeżeli są dostępne. Warto również wskazać, czy potrzebny jest gotowy ząb, czy półfabrykat do dalszej obróbki.
Dzięki takim danym można szybciej przygotować propozycję rozwiązania dopasowanego do konkretnego procesu i ograniczyć ryzyko niepotrzebnych iteracji na etapie doboru.









